
ПОДШИПНИК 160203 ГОСТ 8882-75
Описание товара: Подшипник
Категория: Радиальный шарикоподшипник
Тип: ГОСТ 8882-75
Эквивалентный: SKF 6203; 6203

Спецификация:
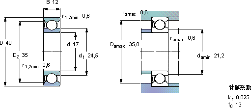
Внутренний диаметр: 17
Наружный диаметр: 40
Ширина: 12

Почта: alluvion@zoho.com
Вешат: 0086-183-2103-3908
